Ứng dụng
Bộ قطع dòng điện còn lại SWMLE-100 được áp dụng trong hệ thống điện AC 50Hz, một pha 230V, ba pha 400V, dòng điện định mức 100A. RCBO cũng có thể bảo vệ mạch chống lại rò rỉ hiện tại, quá tải, ngắn mạch v.v. Và chức năng bảo vệ bổ sung như quá điện áp có thể được thêm theo yêu cầu của khách hàng. Nó chủ yếu được sử dụng làm bảo vệ ánh sáng xây dựng và phân phối điện.
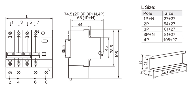
Cấu trúc
Bộ ngắt mạch rò rỉ đất SWMLE-100 bao gồm bộ ngắt mạch mini phá vỡ SWM-100high và giải phóng rò rỉ hiện tại. RCBO là bộ ngắt mạch rò rỉ điện tử hiện tại, các bộ phận chính bao gồm biến áp dòng không, bảng điều khiển điện tử, giải phóng rò rỉ hiện tại và bộ ngắt mạch với chức năng bảo vệ quá tải, ngắn mạch.
Thông số kỹ thuật
Điện áp định mức (V) Dòng điện định mức của trường hợp Inm (A) Dòng trung lập cực Dòng điện định mức In (A) Công suất ngắn mạch định mức Dòng điện còn lại định mức (mA) Dòng điện còn lại định mức không phá vỡ (mA) Loại chuyến đi
Khả năng phá vỡ Ics (A) COSφ
230 100 1 N
63,80,
100
10000 0.5
30,50,
100,200,
300
15,25,
50,100,
150
C
230 100 2
10000 0.5
400 100 3
10000 0.5
230/400 100 3 N 10000 0,5
230/400 100 4
10000 0.5
230 100 1 N 10000 0,5 D
230 100 2
10000 0.5
400 100 3
10000 0.5
230/400 100 3 N 10000 0,5
230/400 100 4
10000 0.5
Lưu ý:
1) xếp hạng rò rỉ hiện tại phá vỡ hiện tại: 30/50/100/200 / 300mA
2) dây là đầu cuối với kẹp, đường kính cáp. : 50mm2below có sẵn cho cáp cứng
Ý nghĩa kiểu



Singi Electrica là nhà sản xuất và nhà cung cấp Trung Quốc chủ yếu sản xuất bộ قطع mạch thu nhỏ, MCCB, SPD, hộp phân phối, hộp nối với 24 năm kinh nghiệm. Hy vọng xây dựng mối quan hệ kinh doanh với bạn.
| Điện thoại:0577 62053322 |
| Điện thoại:+86 18868286161 |
| Email:salesmanager@singi.com |